Published:2011/6/8 2:42:00 Author:Christina | Keyword: Video, monitor | From:SeekIC



The monitor's wireless remote control circuit uses the T2078 receiving module, and it has the 100m four buttons launch mobile phone. The remote control mobile phone has four buttons, when you press button A, the number 1 camera starts working, the video signal is transmited to the displayer through the control circuit and the electric cable to show the situation of the monitoring point 1; when you press button B, the number 2 camera starts working and shows the situation of the monitoring point 2 on the displayer; when you press the button C, the number 1 and number 2 cameras work at the same time, the two channels of video signals were sent to the displayer respectively under the action of the video control circuit, the monitors alternately shows the situations of the monitoring point 1 and 2; when you press the button D, the cameras stop working.
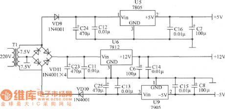
1.Power supply
2.Camera shooting, video control and signal compensation circuit
3.Display control circuit
Reprinted Url Of This Article:
http://www.seekic.com/circuit_diagram/Control_Circuit/Video_monitor_circuit.html
Print this Page | Comments | Reading(3)
Code: