Published:2011/8/6 21:08:00 Author:Felicity | Keyword: Voice Cycle, Lights | From:SeekIC

Work of the circuit
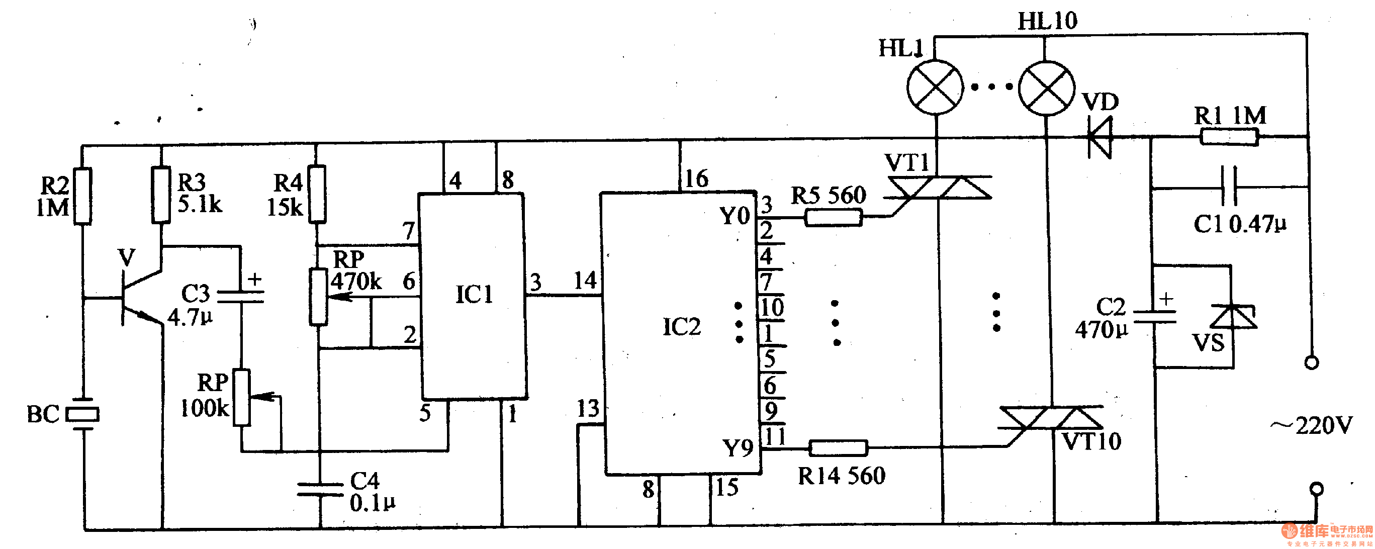
The circuit consists of power circuits, voice circuits, oscillator, pulse counting distributor and control implementation circuit. (It is showed in picture 1-108.)
Power circuits consists of buck capacitor Cl, resistors Rl, voltage regulator diode VS, filter capacitor C2 and diode rectifier VD.
Voice circuits consists of piezoelectric transducer BC, the transistor V, resistors R2, R3, capacitor C3 and potentiometer RPl.
Oscillator consists of time-base integrated circuit ICl, resistor R4, capacitor C4 and potentiometer RP2.
Pulse counting distributor consists of count / pulse distributor circuit IC2.
Control implementation circuit consists of thyristor VTl-VTlO, resistors R5-R14 and lanterns HLl-HLlO.
Reprinted Url Of This Article:
http://www.seekic.com/circuit_diagram/Control_Circuit/Voice_Cycle_Lights_the_1st.html
Print this Page | Comments | Reading(3)
Code: