Published:2011/7/5 20:06:00 Author:Christina | Keyword: Volkswagen, alarm system | From:SeekIC

Reprinted Url Of This Article:
http://www.seekic.com/circuit_diagram/Control_Circuit/Volkswagen_alarm_system_circuit.html
Print this Page | Comments | Reading(3)
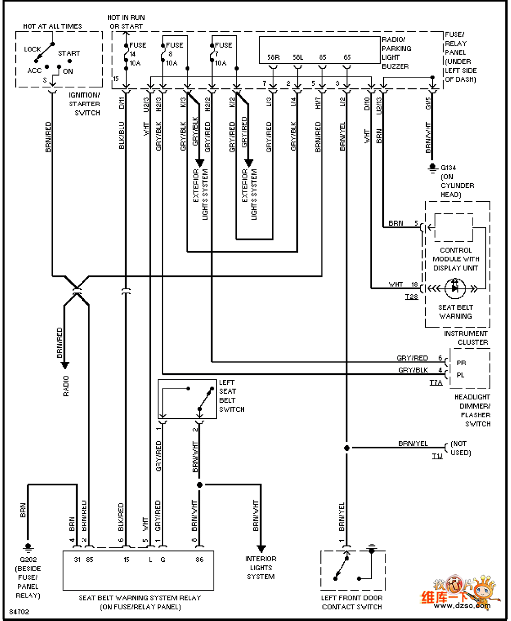
Code: