Published:2011/6/29 7:00:00 Author:Sue | Keyword: Water-Infused, Meat, Detecting, Alarm | From:SeekIC

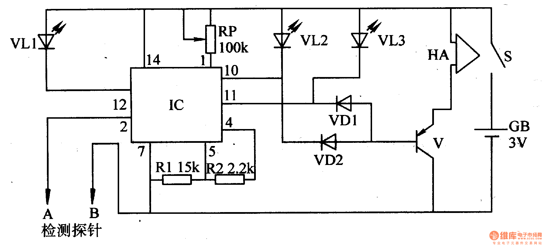
When pin 2 inputs high level, pin 11 and pin 12 will output high level while pin 10 will output low level. When pin 2 is input low level, pin 11 will output low level while pin 10 and pin 12 will output high level. When pin 2's voltage is between the high level and the low level, pin 10 and pin 11 will output high level while pin 12 will output low level.
When the meat is detected and if the meat is not water-infused meat, IC's pin 2 will have a volage between high level and low level. Pin 12 will output low level and VL1 is illuminated. V is disconnected and HA makes no sound.
If the meat has little water, IC's pin 2 will high a high level while its pin 10 will have a low level. VL3 is illuminated and HA will make an alarm sound.
Reprinted Url Of This Article:
http://www.seekic.com/circuit_diagram/Control_Circuit/Water_Infused_Meat_Detecting_Alarm_3.html
Print this Page | Comments | Reading(3)
Code: