Published:2011/6/29 7:07:00 Author:Sue | Keyword: Water-Infused, Meat, Detecting, Alarm | From:SeekIC

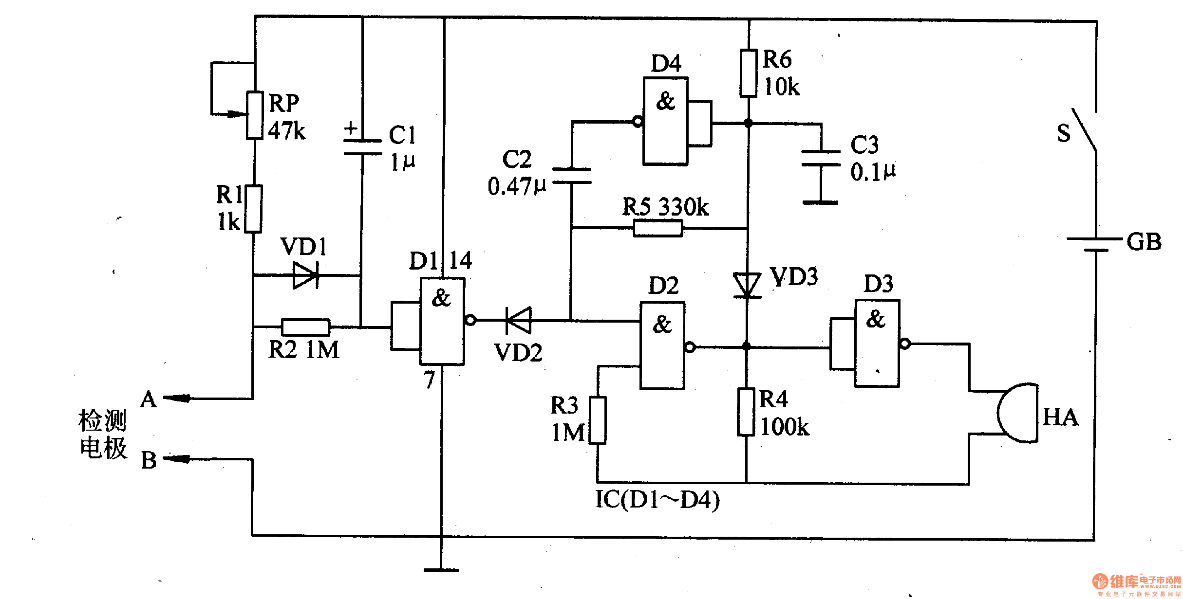
When the meat is detected, and if the meat is water-infused meat, the value resistance between the two electrodes will be large and D1 will input high level while output low level. VD2 is connected and the oscillator doesn't work. HA makes no sound. If the meat is water-infused meat, the resistance value will be small and D1 will input low level and output high level. VD2 is disconnected. The oscillator begins to work and HA will make an alarm sound.
Reprinted Url Of This Article:
http://www.seekic.com/circuit_diagram/Control_Circuit/Water_Infused_Meat_Detecting_Alarm_4.html
Print this Page | Comments | Reading(3)
Code: