Published:2011/5/14 3:48:00 Author:Sue | Keyword: Water Level, Detector | From:SeekIC

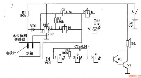
When the water doesn't reach the certain water level, the water level sensor doesn't work. A voltage of +9V will be provided to VD1, making IC's 13,10,1,4 pins have high level, and the alarm circuit doesn't work.
When the water reach the certain level, the sensor begins to work, making VD1's positive pole have low level, and VD1 becomes disconnected. Then the blocking oscillator begins to work, and IC's 10 pin outputs the oscillate signal with a long peried. When the signal voltage is positive, VD2 is connected, IC's 1 pin has high level, and the audio oscillator doesn't work. When the voltage is negative, VD2 is disconnected, and the oscillator begins to work. So the oscillator will work under the control of the blocking oscillator, and IC's 6 pin will output interrupted signals which will promote BL to make a warning sound.
Reprinted Url Of This Article:
http://www.seekic.com/circuit_diagram/Control_Circuit/Water_Level_Detector.html
Print this Page | Comments | Reading(3)
Code: