Published:2011/5/17 20:34:00 Author:Sue | Keyword: Water Level, Indicator | From:SeekIC

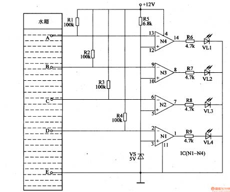
When there is no water, N1-N4’s reverse input terminal will have a voltage which is higher than +5V base voltage, so N1-N4 will output low level, and VL1-VL4 are not illuminated.
When water level reaches D, N1’s reverse input terminal’s voltage will be lower than +5V, N1 outputs high level and illuminates VL4, indicating that water level reaches D.
As the water level becomes higher, N2,N3,N4 outputs high level one by one, and VL3,VL2,VL1 is illuminated one by one.
When VL1-VL4 are all illuminated, users will turn off the suction pump.
Reprinted Url Of This Article:
http://www.seekic.com/circuit_diagram/Control_Circuit/Water_Level_Indicator_1.html
Print this Page | Comments | Reading(3)
Code: