Published:2011/5/17 20:38:00 Author:Sue | Keyword: Water Level, Indicator | From:SeekIC

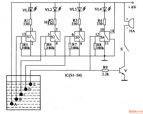
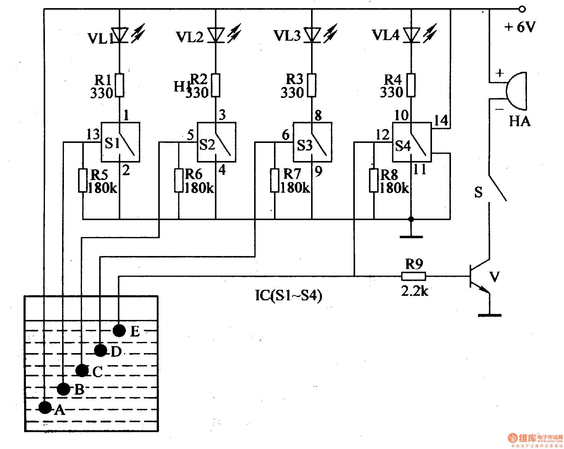
When there is no water, VL1-VL4 are not illuminated.
When water level reaches 1/4, IC’s 13 pin will have a high level, which will make S1 connected. VL1 is illuminated. As water level becomes higher, VL2-VL4 will be illuminated one by one.
When the water case is full, IC’s 12 pin will have a high level, which will make VM illuminated. S will be connected and forces HA to make a warning sound.
Reprinted Url Of This Article:
http://www.seekic.com/circuit_diagram/Control_Circuit/Water_Level_Indicator_2.html
Print this Page | Comments | Reading(3)
Code: