Published:2011/5/17 20:51:00 Author:Sue | Keyword: Water Level, Indacator | From:SeekIC

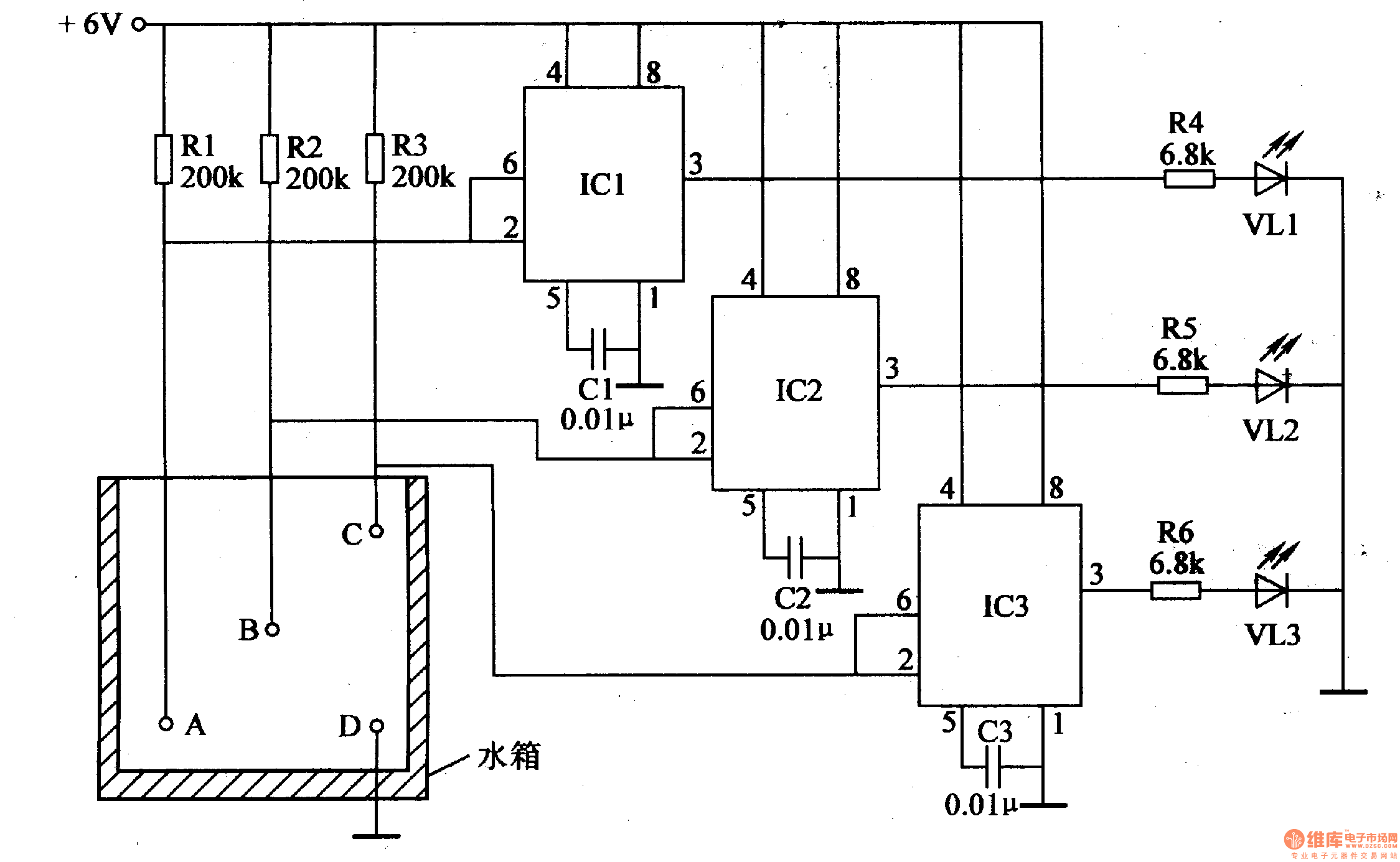
When there is no water, IC1-IC3 will output low level, VL1-VL3 are not illuminated.
When the level is lower than A, IC1’s inside circuit reverses, its 3 pin will output high level, illuminating VL1.
When the level reaches B, IC2’s 3 pin outputs high level, illuminating VL2.
When the level reaches C, IC3’s 3 pin outputs high level, illuminating VL3.
When the level is lower than C, IC3 reverses and 3 pin will have a low level, making VL3 go out.As the level becomes lower, VL2 and VL1 will go out one by one..
Reprinted Url Of This Article:
http://www.seekic.com/circuit_diagram/Control_Circuit/Water_Level_Indicator_5.html
Print this Page | Comments | Reading(3)
Code: