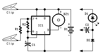
Published:2012/12/25 21:11:00 Author:muriel | Keyword: Water-level Alert | From:SeekIC

Reprinted Url Of This Article:
http://www.seekic.com/circuit_diagram/Control_Circuit/Water_level_Alert.html
Print this Page | Comments | Reading(3)
Code: