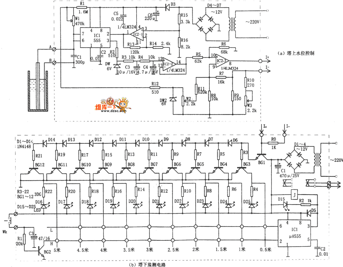
Published:2011/4/2 4:29:00 Author:may | Keyword: Wired, remote control, water tower telemetry | From:SeekIC

Wired remote control water tower telemetry device circuit is shown in the diagram:
Reprinted Url Of This Article:
http://www.seekic.com/circuit_diagram/Control_Circuit/Wired_remote_control_water_tower_telemetry_device_circuit.html
Print this Page | Comments | Reading(3)
Code: