© 2008-2012 SeekIC.com Corp.All Rights Reserved.
Published:2011/6/8 18:55:00 Author:Christina | Keyword: Wireless, alarm, multiple, detection heads | From:SeekIC



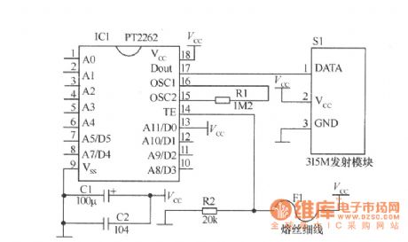
This alarm device separates the detection part and the alarm part, one alarm has multiple detection heads, the detection part and the alarm part use the radio waves to communicate. It has the wireless alarm receiving part and the wireless alarm test launch part. The wireless alarm receiving part is composed of the 315MHz wireless data receiving module, the decoder integrated circuit PT2272-M4, the monostable circuit and the audio generator. The circuit is as shown in the figure.
The wireless alarm test launch part has some detection circuits.
(1)The launch circuit which is composed of the photoconductive resistances:
(3) magnetic induction transmitter circuit:
Reprinted Url Of This Article:
http://www.seekic.com/circuit_diagram/Control_Circuit/Wireless_alarm_circuit_with_multiple_detection_heads.html
Print this Page | Comments | Reading(3)
Response in 12 hours
© 2008-2012 SeekIC.com Corp.All Rights Reserved.
Code: