Published:2011/10/14 3:22:00 Author:Ecco | Keyword: Yuanshan , boiled water controller | From:SeekIC

Reprinted Url Of This Article:
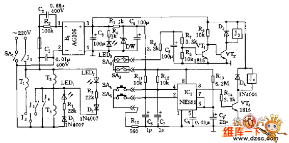
http://www.seekic.com/circuit_diagram/Control_Circuit/Yuanshan_boiled_water_controller_circuit.html
Print this Page | Comments | Reading(3)
Code: