Published:2009/6/23 3:04:00 Author:Jessie | From:SeekIC

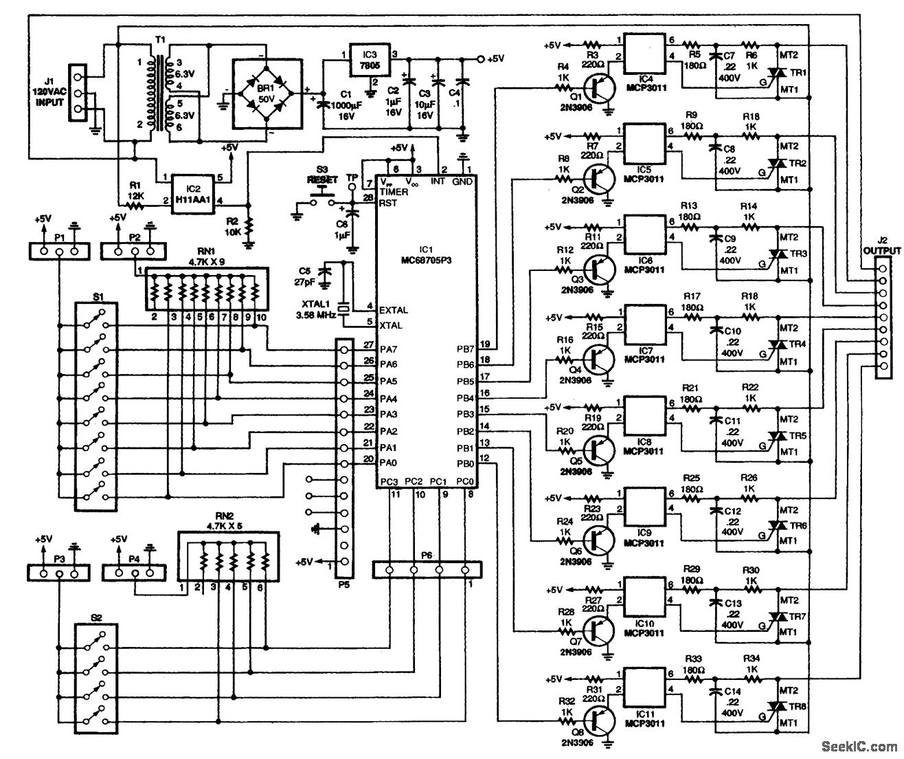
This circuit is used to vary the power delivered to a 120-Vac load under software control. A 68705 micro controller can control eight discrete power triacs, each of which delivers power in 82 smoothly graduated steps, ranging from 0 to 97% of full power. The value delivered to one channel is independent of the value delivered to any other channel. Loads can include light displays, universal motors, heaters, and other appliances.The power level is set by software, not a potentiometer. The software includes a basic set of routines for processing interrupts and setting the power level. The software also includes five test and demonqtration routines for putting the circuit through its paces. Moreover, there's plenty of room to add your own routines to the 68705's built-in EPROM.The basic circuit is simple, yet versatile enough to accept inputs from on-board DIP switches; al-ternatively, the inputs can be driven from a microcomputer bus or parallel port, or a stand-alone device with TTL-compatible outputs. There are 12 input bits to set modes and specify values.
Reprinted Url Of This Article:
http://www.seekic.com/circuit_diagram/Control_Circuit/ac_POWER_CONTROLLER.html
Print this Page | Comments | Reading(3)
Code: