Published:2011/6/20 8:57:00 Author:Fiona | Keyword: consisiting of CH7555, program controller | From:SeekIC

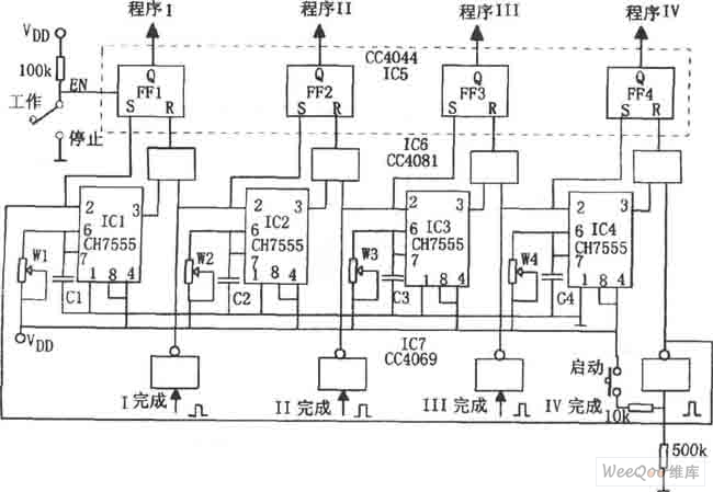
Figure shows the program control circuit.The controller is composed of recycling program,power trigger circuit and so on. 4 pieces 555 circuit IC1 ~ IC4 are composed of different timing monostable circuit and series cycle trigger.Power trigger is composed of the IC7 (CD4069) hex inverter,so that all single-circuits are regular stable set.C6 (CC4081) is four 2-input AND gate;IC5 (CC4044) is the four R. S latch.When you press the start button,IC1 is set and enters single state temporary stability state.That is the first program to run.
Reprinted Url Of This Article:
http://www.seekic.com/circuit_diagram/Control_Circuit/consisiting_of_CH7555_program_controller_circuit.html
Print this Page | Comments | Reading(3)
Code: