Published:2011/7/15 20:42:00 Author:chopper | Keyword: frost prevention | From:SeekIC

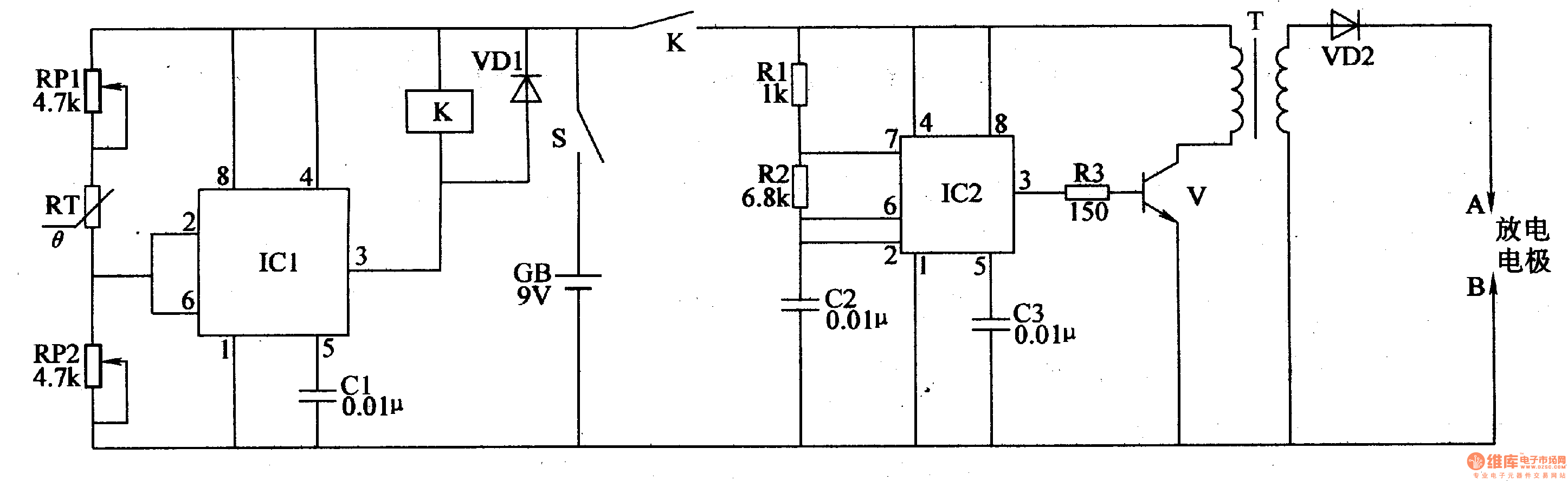
The principle of circuitThe crops automatic frost prevention controller circuitis formed by the temperature detection control circuit and high-voltage ignition circuit, which is shown in figure 4-107. Temperature detection control circuit is formed by the time-base integrated circuit IC1,potentiometers RP1,RP2,diode VD1, relay K and capacitor C1. High-voltage ignition circuit is formed by the time-base integrated circuit IC2, resistors R1-R3, capacitors C2,C3,transistor V, high-voltage transformer T,high-voltage rectifier diode VD2 and discharge electrodes A,B.
Reprinted Url Of This Article:
http://www.seekic.com/circuit_diagram/Control_Circuit/crops_automatic_frost_prevention_controller1.html
Print this Page | Comments | Reading(3)
Code: