Published:2009/7/10 4:44:00 Author:May | From:SeekIC

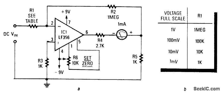
An LF356 op amp is used as a gain amplifter with the output taken across R5. When a full-scale current of 1 mA is flowing through the meter, exactly 1V appears across R5 (should be 1% tolerance or better). This is fed back to R2 to the summing junction of IC1 (a full-scale produces 1μA). This offsets the current through R1. R1 has a value of 1 MΩ/V which is used to zero the meter. R4 provides some overcur-rent protection for the meter.
Reprinted Url Of This Article:
http://www.seekic.com/circuit_diagram/Control_Circuit/dc_MILLIVOLTMETER.html
Print this Page | Comments | Reading(3)
Code: