Published:2011/6/8 10:29:00 Author:Lena | Keyword: electromotion model, airplane, remote control | From:SeekIC




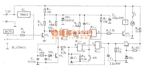
Electromotion model airplane remote control device consists of two-channel digital proportion driven circuit, servo circuit, power motor drive circuit etc.
Reprinted Url Of This Article:
http://www.seekic.com/circuit_diagram/Control_Circuit/electromotion_model_airplane_remote_control_device.html
Print this Page | Comments | Reading(3)
Code: