Published:2011/7/20 5:14:00 Author:chopper | Keyword: farmland, irrigation and drainage line, anti-theft alarm | From:SeekIC

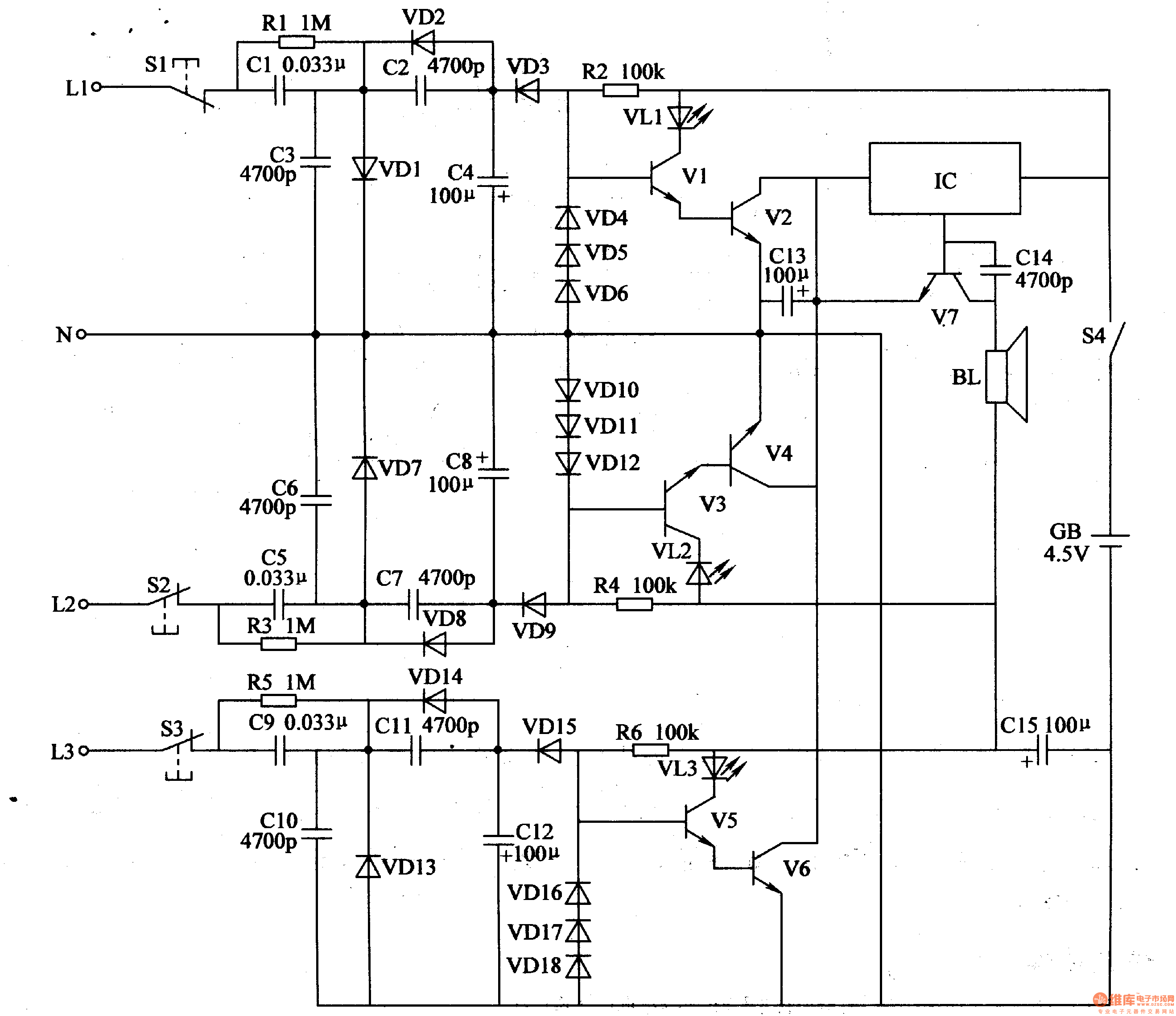
This example describes the farmland irrigation and drainage line anti-theft alarm, which controls the anti-theft alarm by detecting whether there is AC voltage of the each phase of the three-phase AC current or not.When the power line of farmland irrigation and drainage is stolen or the power outages,and phase lack of power line leads to a phase withoutAC voltage, the alarm will send an alarm signal in time. The principle of circuitThe farmland irrigation and drainage line anti-theft alarm is formed by the detection circuit,LED indication circuit and audible alarm circuit, which is shown in Figure 4-9. Detection circuit is formed by the test buttons S1-S3, resistors R1-R3, capacitors C1-Cl2 and diodes VD1-VD3, VD7, VD9, VD13-VD15.
Reprinted Url Of This Article:
http://www.seekic.com/circuit_diagram/Control_Circuit/farmland_irrigation_and_drainage_line_anti_theft_alarm2.html
Print this Page | Comments | Reading(3)
Code: