Published:2011/6/8 7:50:00 Author:chopper | Keyword: function, signal generator | From:SeekIC

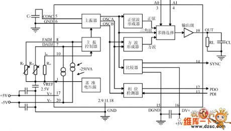
US Company Maxim develops a new function signal generator ICMAX038,which is of high-frequency,pretty-precision,and thus it is known as high frequency precise function signl generator IC.MAX038 can be the optimized module to the circuit of phase-locked loop,voltage controlled oscillator,frequency synthesizer,pulse width modulator and so on.Its inner cirucit is shown as following picture 1.
Reprinted Url Of This Article:
http://www.seekic.com/circuit_diagram/Control_Circuit/max038_function_signal_generator_circuit.html
Print this Page | Comments | Reading(3)
Code: