© 2008-2012 SeekIC.com Corp.All Rights Reserved.
Published:2011/7/12 3:38:00 Author:Lena | Keyword: multipurpose, wireless, remote control, switch | From:SeekIC


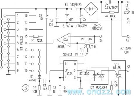
This remote control switch uses wireless code/encode mode, which is not limited by aeolotropy, the beeline control distant is ≤100m.The switch can control electric appliance cut/off whose power is at about 400W.It consists of remote controller and receiving circuit. The remote controller has a small bulk and beautiful shape, and can be hung on a bunch of keys that is convenient to carry-on. The switch has four keystokes which can transmit 4-way control signal respectively.
Figure 1 is a remote control emitter circuit.IC1 is a low power loss code transmitting chip using CMOS technology.
Reprinted Url Of This Article:
http://www.seekic.com/circuit_diagram/Control_Circuit/multipurpose_wireless_remote_control_switch_circuit.html
Print this Page | Comments | Reading(3)
Response in 12 hours
© 2008-2012 SeekIC.com Corp.All Rights Reserved.
Code: