Published:2011/7/19 23:25:00 Author:chopper | Keyword: seeder, spray pipe, water break alarm | From:SeekIC

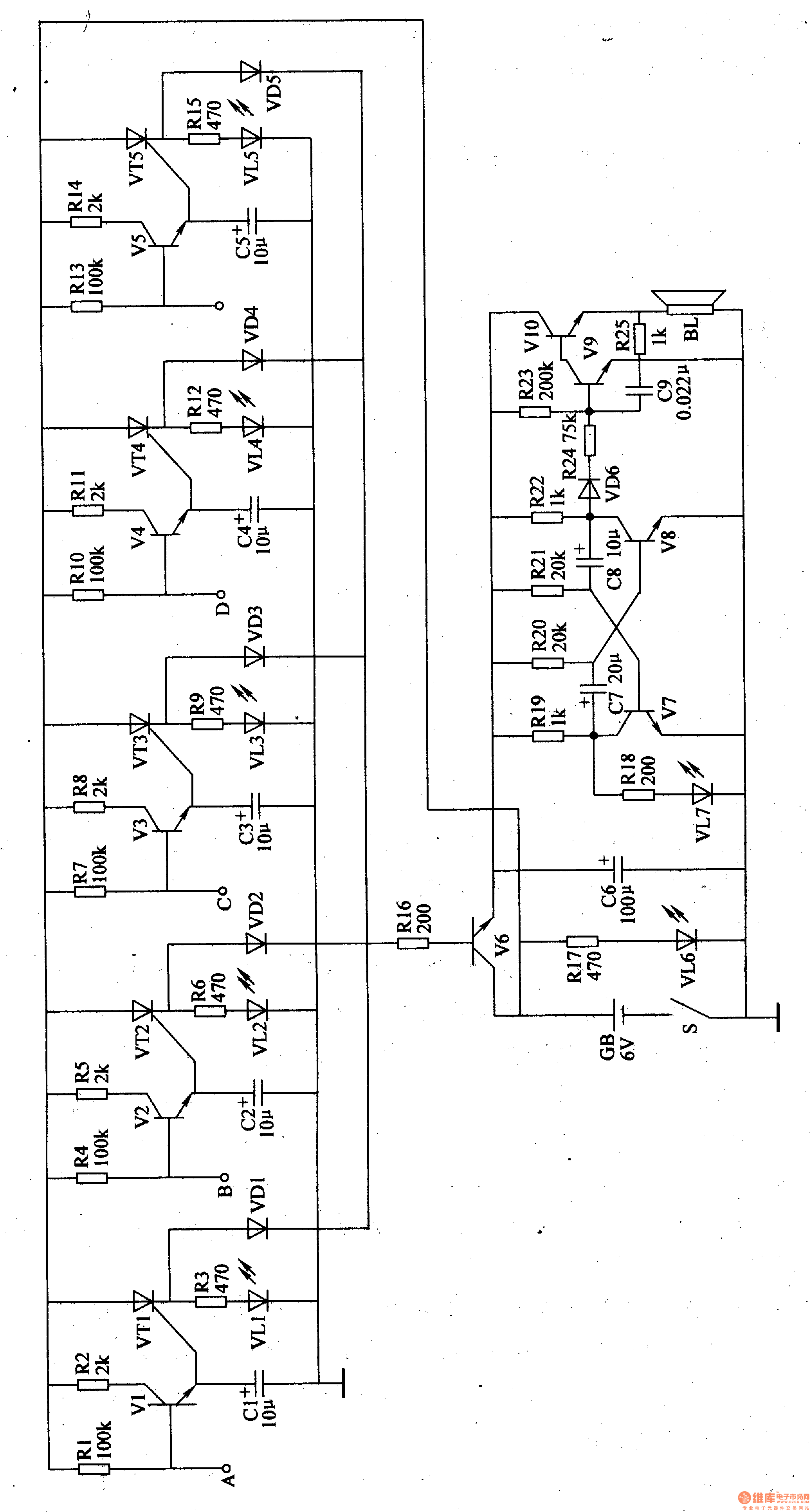
The principle of circuitThe seeder spray pipe water break alarm circuit is formed by water break detection circuit and the sound and light alarm circuit,which is shown in Figure 4-103. The water break detection circuit is formed by the transistors V1-V5,resistors R1,R2,R4,R5,R7,R8,R10,R11,R13,R14 and capacitors C1-C5. The sound and light alarm circuit is formed by the transistors V6-V10,thyristors VT1-VT5,LEDs VL1-VL5,resistors R3,R6,R9,R12,R16,R18-R25,capacitors C7-C9 and speaker BL. The VT1-VT5 and VL1-VL5 and R3,R6,R9,R12 form the LED indication circuit; and VD1-VD5,R16,V6 and C6 form the control circuit.V7,V8,and R18-R22, C7,C8,VL6,VL7 form multivibrator circuit; V9,V10 and C9,R23-R25 form the controlled audio oscillator circuit. The sides A-E are connected to 5 water pipes respectively. R17 is a current limiting resistor, VL6 is the power indicator.
Reprinted Url Of This Article:
http://www.seekic.com/circuit_diagram/Control_Circuit/seeder_spray_pipe_water_break_alarm_2.html
Print this Page | Comments | Reading(3)
Code: