Published:2011/7/17 19:59:00 Author:chopper | Keyword: water break, alarm | From:SeekIC

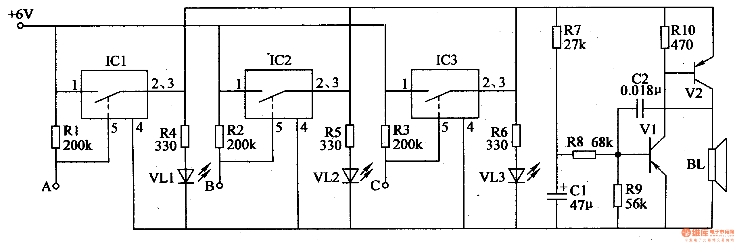
The principle of circuitThe seeder spray pipe water break alarm circuit is formed by the water break detection circuit and the sound and light alarm circuit,which is shown in Figure 4-1M The water break detection circuit is formed by the electronic switch integrated circuits IC1-IC3,and resistors R1-R3. Ends A-C are connected to 3 water pipes respectively. The sound and light alarm circuit is formed by the light-emitting diodes VL1-VL3,resistors R4-R10,capacitors C1,C2,transistors V1,V2,and the speaker BL. R4-R6 and VL1-VL3 compose of LED indicator circuit;the V1,V2,and C1,C2,R7-R10 form audio oscillator circuit.
Reprinted Url Of This Article:
http://www.seekic.com/circuit_diagram/Control_Circuit/seeder_spray_pipe_water_break_alarm_3.html
Print this Page | Comments | Reading(3)
Code: