Published:2011/7/19 23:43:00 Author:chopper | Keyword: seeder, spray pipe, water break alarm | From:SeekIC

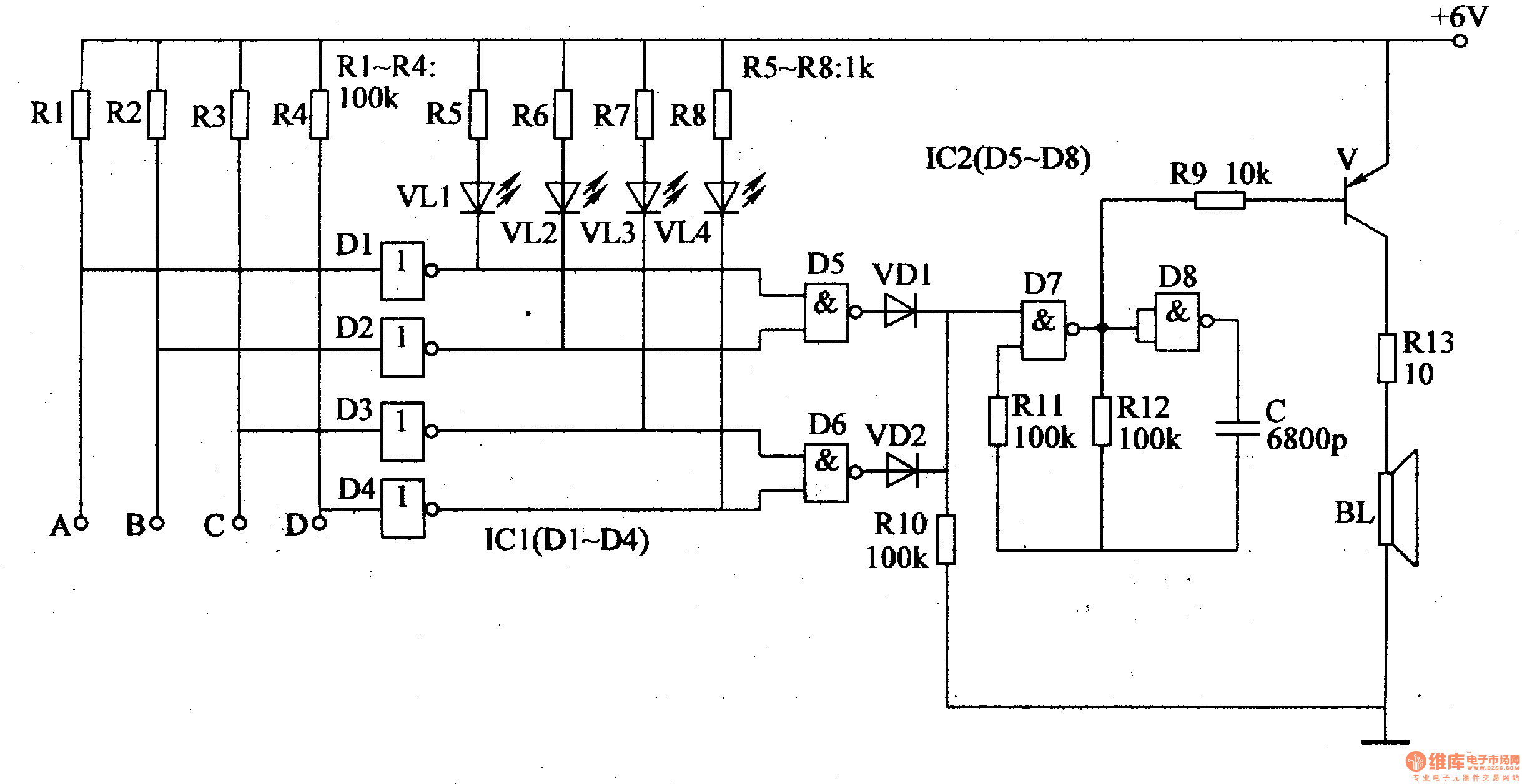
The principle of circuit The seeder spray pipe water break alarm circuit is formed by the water break detection circuit,LED indication circuit,trigger control circuit and the alarm circuit,which is shown in figure 4-105. The water break detection circuit consists of non-gate integrated circuit IC1(D1-D4)and resistors R1-R4. The ends A-D are respectively connected with four water pipes.LED indication circuit consists of resistors R5-R8 and LED VL1-VL4. Trigger control circuit consists of the non-gate D5,D6 in the non-gate integrated circuit IC2 (D5-D8) and diodes VD1,VD2,resistor R10.
Reprinted Url Of This Article:
http://www.seekic.com/circuit_diagram/Control_Circuit/seeder_spray_pipe_water_break_alarm_4.html
Print this Page | Comments | Reading(3)
Code: