Published:2011/5/9 7:57:00 Author:Christina | Keyword: side-channel, filter | From:SeekIC

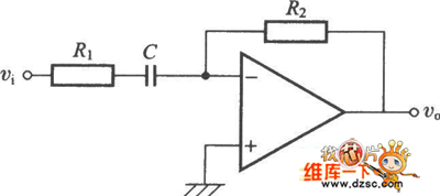
The side-channel filter circuit is as shown in the figure:
Reprinted Url Of This Article:
http://www.seekic.com/circuit_diagram/Control_Circuit/side_channel_filter_circuit.html
Print this Page | Comments | Reading(3)
Code: