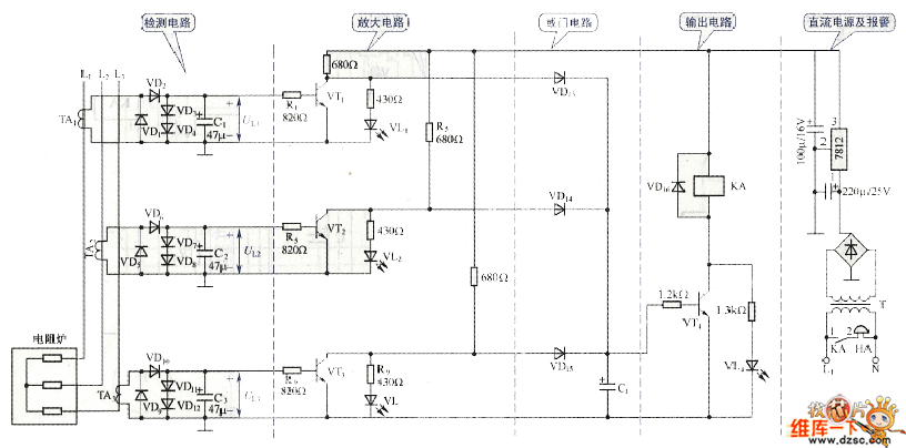
Published:2011/7/4 0:17:00 Author:John | Keyword: resistance furnace | From:SeekIC

Reprinted Url Of This Article:
http://www.seekic.com/circuit_diagram/Control_Circuit/sound_and_light_of_resistance_furnace_alarming_circuit.html
Print this Page | Comments | Reading(3)
Code: