Published:2011/5/3 19:25:00 Author:Christina | Keyword: telephone, auto transponder | From:SeekIC


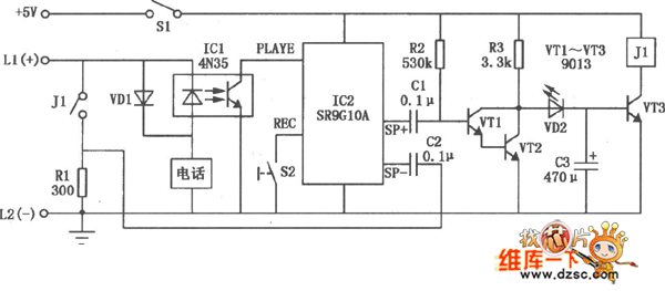
The telephone auto transponder circuit is as shown in figure. IC2 is the 10 seconds voice recording circuit SR9G10A, if you press S2 to open the power, so you can entry the words which you want to tell your friends by the IC2's electret microphone. If you press Sl before go out for walk, the composite pipe's(is composed of the transistor VTl, VT2) electrode voltage VCE will be 0.65V, and the diode VD2 and transistor VT3 will not conduct.
When a call comes in, the phone ring's negative half cycle of ringing signal makes the ICl Optocoupler 4N35 conduction, IC2's PLAYE port is connected to ground to playback, one channel of the unilateral audio signal is amplified by the composite pipe to make transistor VT2's VCE increased, VD2, VT3 will conduct and relay JI will close to make the resistor Rl connects the external analog telephone (telephone's DC resistance is 300Ω); the other channel of unilateral audio signal adds to both ends of the telephone line, so your friends can hear your voice. After the sound finished, the circuit backs to the static state, relay J1 releases and the whole circuit is equivalent the hook.
Reprinted Url Of This Article:
http://www.seekic.com/circuit_diagram/Control_Circuit/telephone_auto_transponder_circuit.html
Print this Page | Comments | Reading(3)
Code: