© 2008-2012 SeekIC.com Corp.All Rights Reserved.
Published:2011/7/8 2:25:00 Author:Fiona | Keyword: the wind speed program control | From:SeekIC

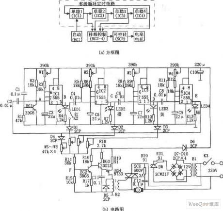
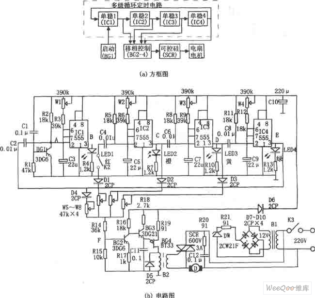
Just when turning on the power,the start-up circuit consisting of R1,C1 and BG1 produces a negative pulse and adds to the trigger of IC1 (555) (② pin), so that the delay circuit consisting of IC1, W1, R3, C3 is set and outputs the high level. The corresponding delay time is td1 = 1.1 (Rw1 + R3) C3, the parameters of the corresponding time is about 0.6 to 10 seconds. During this time, C3 is charged, when the voltage of C3 is filling to make the ⑥ pin reach 2/3VDD, IC1 is reset,after low level output by 3-pin differentials through the C4, R5,it adds to ② pin of IC2 to make the corresponding timing circuit is set and outputs high levelbecause that the ② pin is low level. IC3, IC4's change of state is similar.
Reprinted Url Of This Article:
http://www.seekic.com/circuit_diagram/Control_Circuit/the_wind_speed_program_control_circuit_consisting_of_555.html
Print this Page | Comments | Reading(3)
Response in 12 hours
© 2008-2012 SeekIC.com Corp.All Rights Reserved.
Code: