© 2008-2012 SeekIC.com Corp.All Rights Reserved.
Published:2011/5/3 9:55:00 Author:Christina | Keyword: voice control, duplex, wireless interphone | From:SeekIC

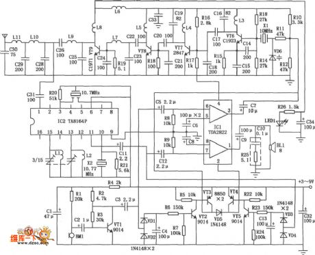
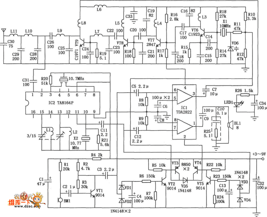
The wireless interphone is in the FM duplex mode, the operating frequency is 30MHz, it uses the voice control electronic switch, the circuit is simple, easy to use and saving energy. The operating voltage is 3 to 9V, the transmitting power is 1~5W.
The voice control duplex wireless interphone has two parts: receiving part and transmitting part (use the antenna matching network together), the circuit is as shown in figure. The transmitting part is composed of the microphone amplifier, electronic switch, oscillation and frequency circuits, incentive amplifier, power amplifier and the antenna matching network. The receiving part is composed of the antenna matching network, the FM receiving circuit, the electronic switch and the amplifier circuit.
Reprinted Url Of This Article:
http://www.seekic.com/circuit_diagram/Control_Circuit/voice_control_duplex_wireless_interphone_circuit.html
Print this Page | Comments | Reading(3)
Response in 12 hours
© 2008-2012 SeekIC.com Corp.All Rights Reserved.
Code: