Published:2011/3/31 2:04:00 Author:Ecco | Keyword: Pest repeller | From:SeekIC

Reprinted Url Of This Article:
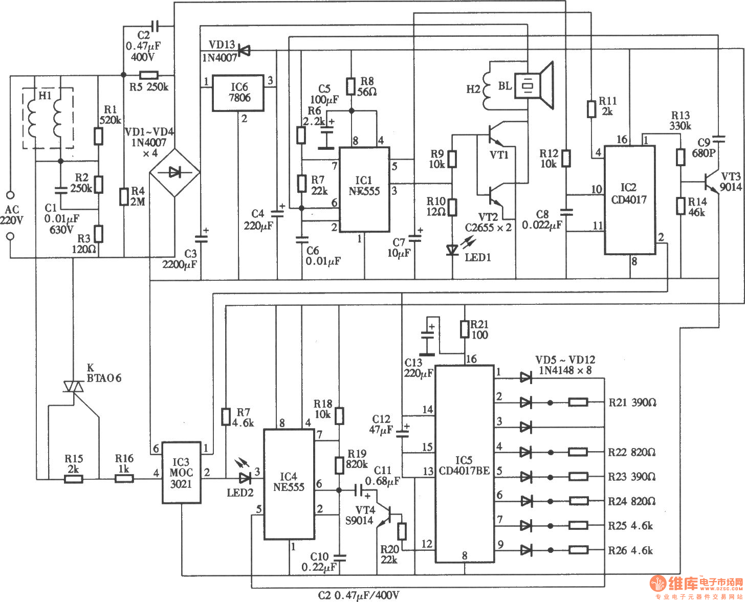
http://www.seekic.com/circuit_diagram/Electrical_Equipment_Circuit/15w_Pest_repeller.html
Print this Page | Comments | Reading(3)
Code: