Published:2009/7/23 21:12:00 Author:Jessie | From:SeekIC

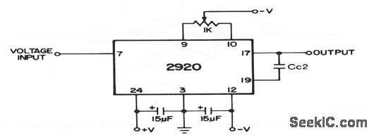
This circuit shows a 2920 in the basic log-amplifier configurations, using a minimum of external components. The offset pot between pins 9 and 10 is mandatory. Vcc is typically±15 V, C2 is typically between 10 and 50 pF. The circuit has a 20-MHz bandwidth and an 80-dB dynamic range.
Reprinted Url Of This Article:
http://www.seekic.com/circuit_diagram/Electrical_Equipment_Circuit/20_MHz_video_log_amplifier.html
Print this Page | Comments | Reading(3)
Code: