Published:2009/7/23 23:22:00 Author:Jessie | From:SeekIC

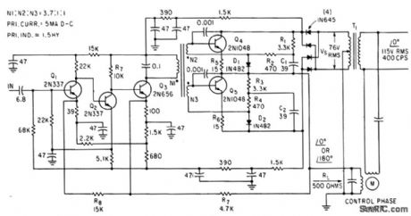
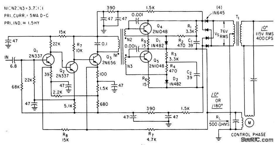
Voltage gain with feedback loop is 10,000, efficiency is above 50%, and gain changes less than 3 db between -55 and +125℃ .No center tap is required on control winding of moron-J. A. Walston and J. E. Setliff, Designing Servo Amplifiers for High Efficiency, Electronics, 3616, p 62-63.
Reprinted Url Of This Article:
http://www.seekic.com/circuit_diagram/Electrical_Equipment_Circuit/2_W_HIGH_EFFICIENCY_SERVO_AMPLIFIER.html
Print this Page | Comments | Reading(3)
Code: