Published:2009/7/23 23:36:00 Author:Jessie | From:SeekIC

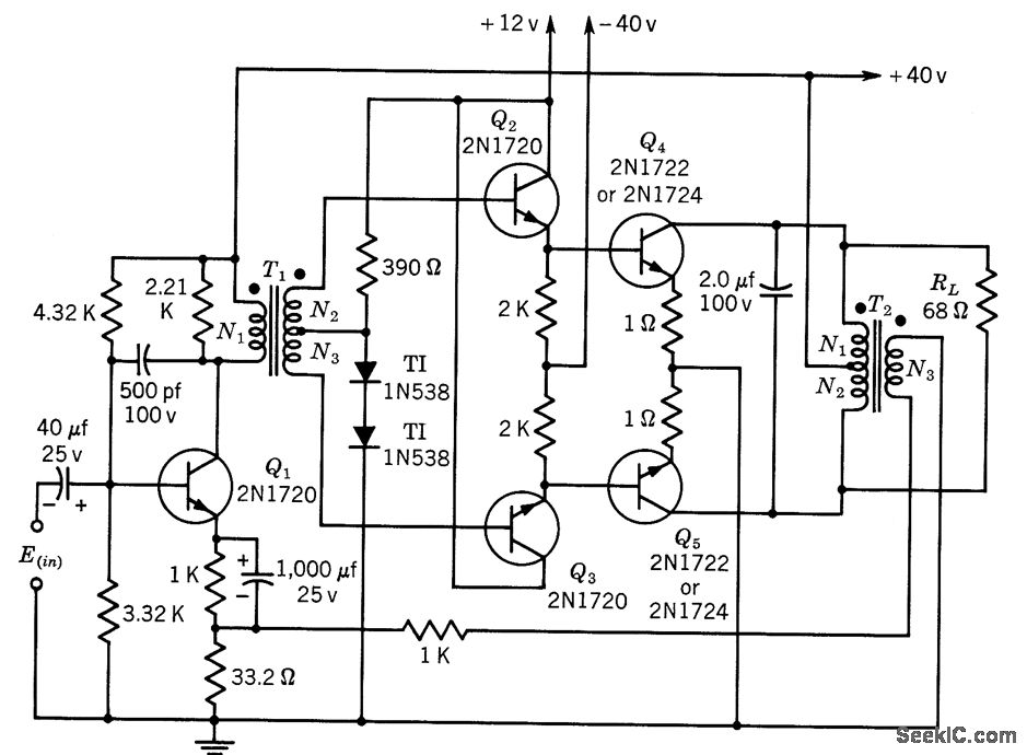
Gives power gain of 45 db. Voltage amplification is constant within 1.5 db of 36.5 db. Transformer data is for 400-cps operation.-Texas Instruments Inc., Transistor Circuit Design, McGraw-Hill, N.Y., 1963, p 244.
Reprinted Url Of This Article:
http://www.seekic.com/circuit_diagram/Electrical_Equipment_Circuit/35_W_CLASS_B_SERVO_AMPIIFIER.html
Print this Page | Comments | Reading(3)
Code: