Published:2009/7/20 22:22:00 Author:Jessie | From:SeekIC


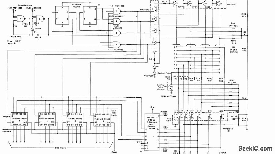
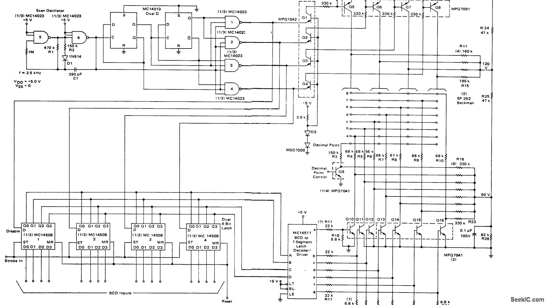
4-digit CMOS gas discharge display (courtesy Motorola Semiconductor Products Inc.).
Reprinted Url Of This Article:
http://www.seekic.com/circuit_diagram/Electrical_Equipment_Circuit/4_digit_CMOS_gas_discharge_display_.html
Print this Page | Comments | Reading(3)
Code: