Published:2009/7/24 23:39:00 Author:Jessie | From:SeekIC

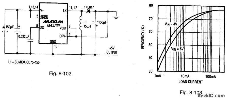
Figure 8-102 shows a MAX739 connected to provide a 5-V output from four cells.This circuit uses the MAX739 as an inverter with a battery-referenced output.Theinput voltage range IS 3.8 V to 11 V with a no-load startup of 4 V maximum. Quiescent current (VIN=5 V)IS 1.8 mA with a maximum load current of 200 mA.Shutdown current is 1 μA, and battery life is 13.5 hours (using four alkaline AAcells, vith a 100-mA load). Figure 8-103 shows the efficiency curves. MAXIM BATTERY MANAGEMENT CIRCUIT COLLECTION, 1994 P.23.
Reprinted Url Of This Article:
http://www.seekic.com/circuit_diagram/Electrical_Equipment_Circuit/5_V_from_four_cells_inverter_or_flyback.html
Print this Page | Comments | Reading(3)
Code: