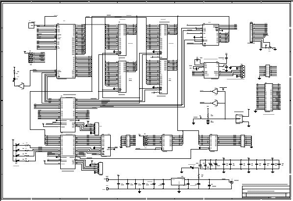
Published:2013/1/30 21:03:00 Author:muriel | Keyword: 68k , Single Board, Computer | From:SeekIC

Reprinted Url Of This Article:
http://www.seekic.com/circuit_diagram/Electrical_Equipment_Circuit/68k_Single_Board_Computer.html
Print this Page | Comments | Reading(3)
Code: