Published:2009/7/23 20:55:00 Author:Jessie | From:SeekIC

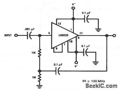
This circuit can be used in ac applications, such as in video amplifiers and active filters. The circuit uses boot-strapping to achieve input impedances in excess of 10 MΩ.
Reprinted Url Of This Article:
http://www.seekic.com/circuit_diagram/Electrical_Equipment_Circuit/Ac_coupled_video_amplifier_with_high_input_impedance.html
Print this Page | Comments | Reading(3)
Code: