Published:2009/7/23 20:56:00 Author:Jessie | From:SeekIC

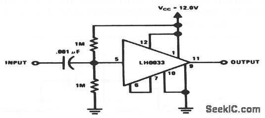
This circuit can be used in ac applications, such as video amplifiers and active filters, but requires only one supply. The output swing is over 8 Vpp with a 12-V supply. Input impedance is about 500 kΩ.
Reprinted Url Of This Article:
http://www.seekic.com/circuit_diagram/Electrical_Equipment_Circuit/Ac_coupled_video_amplifier_with_single_supply.html
Print this Page | Comments | Reading(3)
Code: