Published:2011/6/18 20:43:00 Author:Lucas | Keyword: Agricultural, non-tower, pressurized, water feeder | From:SeekIC

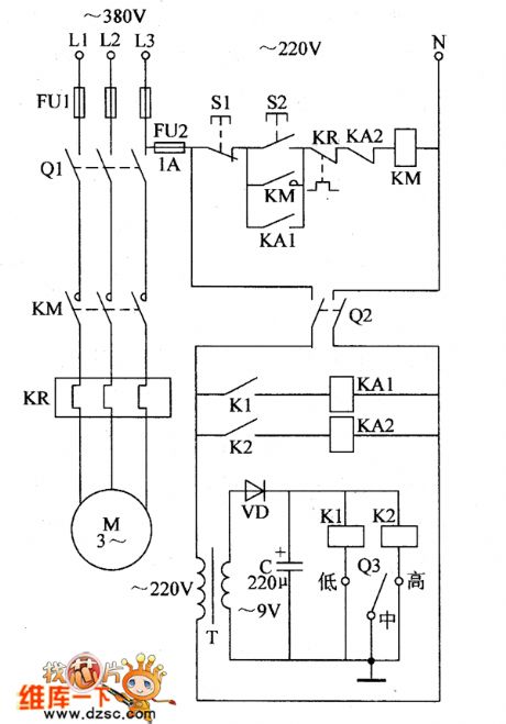
The agricultural non-tower pressurized water feeder circuit is composed of the power supply circuit and pressure detection control circuit, and the circuit is shown in Figure 1. Power supply circuit is composed of the fuse FU2, knife switch Q2, power transformer T, rectifier diode VD and filter capacitor C. Pressure detection control circuit consists of the electric contact pressure gauge Q3, relay Ka, intermediate relays KA1, KA2, AC contactor KM, thermal relay ER, control buttons S1, S2 and knife switch Q1 and so on. C selects the aluminum electrolytic capacitor with the voltage in 16V. VD chooses 1 N400 1 or 1 N4007 silicon rectifier diode. K1 and K2 select JRX-13F 9V DC relays.
Reprinted Url Of This Article:
http://www.seekic.com/circuit_diagram/Electrical_Equipment_Circuit/Agricultural_non_tower_pressurized_water_feeder_circuit_diagram_4.html
Print this Page | Comments | Reading(3)
Code: