Published:2009/7/25 3:32:00 Author:Jessie | From:SeekIC

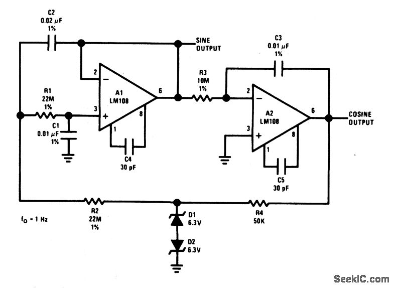
Compare this circuit (which requires two LM108s) to that of Fig.5-11.
Reprinted Url Of This Article:
http://www.seekic.com/circuit_diagram/Electrical_Equipment_Circuit/Alternate_lovo_frequency_sine_wave_generator.html
Print this Page | Comments | Reading(3)
Code: