Published:2009/7/21 22:48:00 Author:Jessie | From:SeekIC

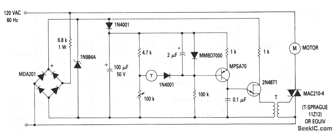
This circuit is an alternate to that shown in Fig. 8-17, but with a lower parts count. The same magnet-coil tachometer shown in Figs. 8-17B and 8-17C can be used with the circuit of Fig. 8-18. Motor speed is controlled by the 100-kΩ pot.
Reprinted Url Of This Article:
http://www.seekic.com/circuit_diagram/Electrical_Equipment_Circuit/Alternate_motor_speed_control_with_tachometer_feedback.html
Print this Page | Comments | Reading(3)
Code: