Published:2011/5/16 21:26:00 Author:Sharon | Keyword: Am Modulation, Collector Modulation | From:SeekIC



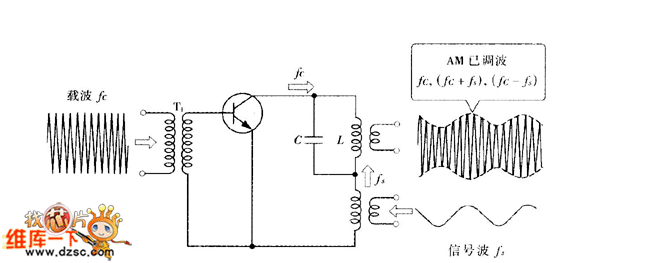
AM waveform and the modulation
Reprinted Url Of This Article:
http://www.seekic.com/circuit_diagram/Electrical_Equipment_Circuit/Am_Modulation_Collector_Modulation_Circuit.html
Print this Page | Comments | Reading(3)
Code: