Published:2009/7/23 20:38:00 Author:Jessie | From:SeekIC

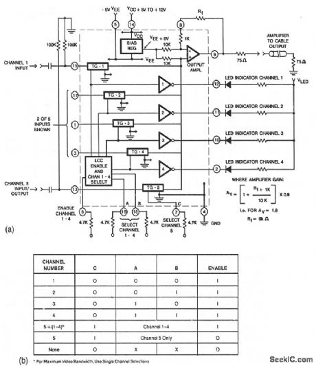
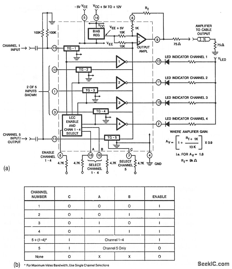
This circuit shows a CA3256 switch/amplifier connected for a direct-coupled output. One of four channels can be selected in parallel with channel 5. The analog switches of channels 1 to 4 are digitally controlled by logic (Fig. 3-35B). A VEE of -5 V is required. Vcc can be from +5 to +12 V. Amplifier gain is determined by the external resistor Rf, as shown by the equaeion.
Reprinted Url Of This Article:
http://www.seekic.com/circuit_diagram/Electrical_Equipment_Circuit/Analog_video_switch_and_amplifier_with_direct_coupled_output.html
Print this Page | Comments | Reading(3)
Code: