Published:2011/8/10 3:36:00 Author:Ecco | Keyword: Animal litter teller | From:SeekIC

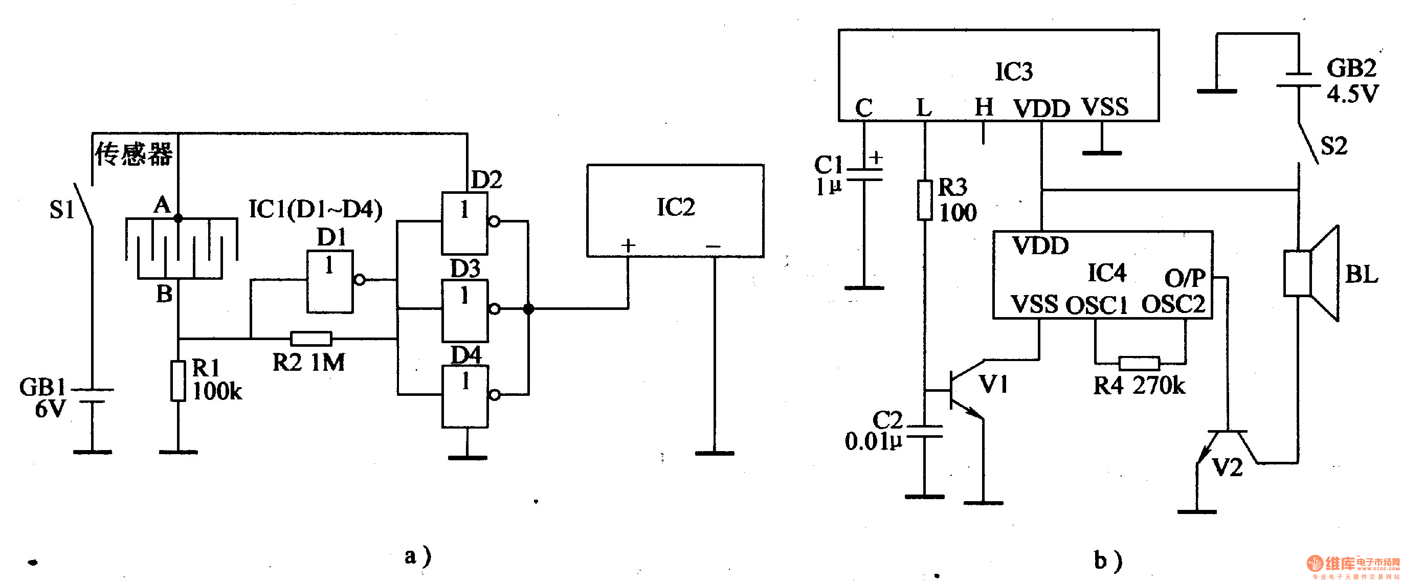
The animal litter teller circuit is composed of the detection signal wireless transmitter circuit, wireless receiver alarm circuit, and it is shown in Figure 4-17. Detection signal wireless transmitter circuit is composed of the battery GBl, power switch Sl, sensors, resistors Rl, R2, NOT gate integrated circuit ICl (Dl-D4) and wireless remote control transmitter integrated circuit IC2. Wireless receiver alarm circuit is composed of the wireless remote control integrated circuit IC3, resistors R3, R4, capacitors Cl, C2, transistors Vl, V2, alarm sound integrated circuit IC4, battery GB2, power switch S2 and the speaker BL.
Reprinted Url Of This Article:
http://www.seekic.com/circuit_diagram/Electrical_Equipment_Circuit/Animal_litter_teller_device_2.html
Print this Page | Comments | Reading(3)
Code: