Published:2009/7/20 20:46:00 Author:Jessie | From:SeekIC

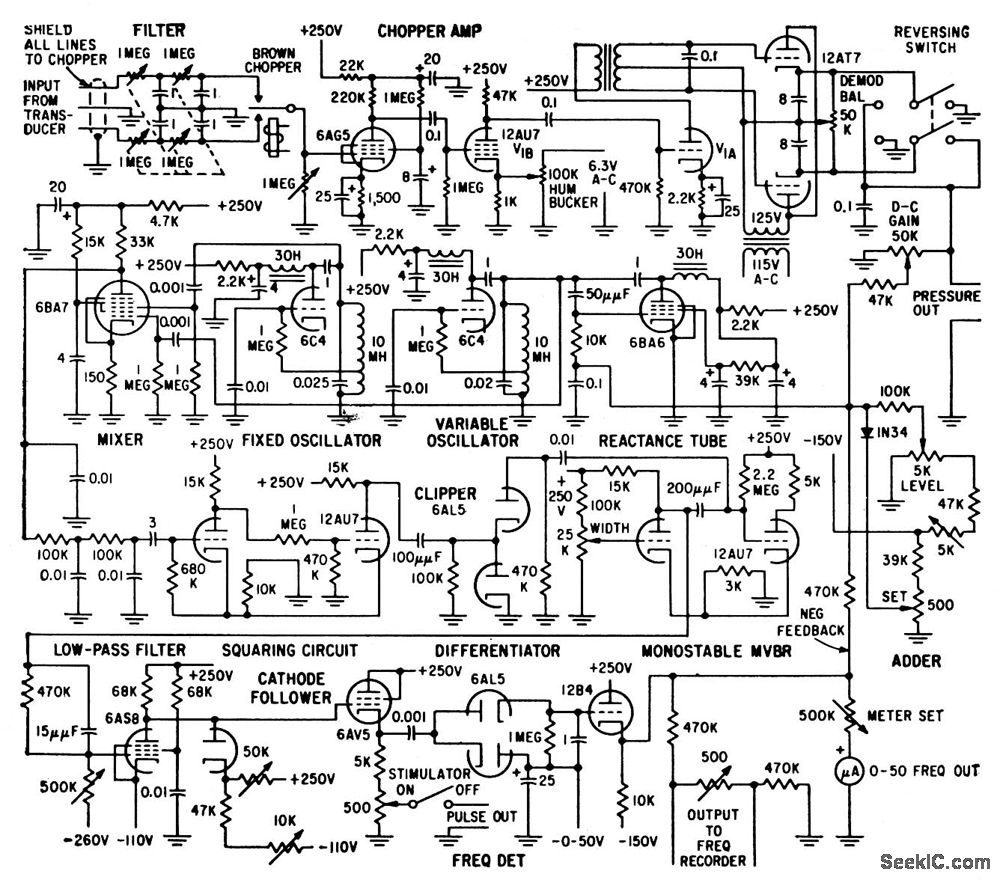
Chopper amplifier delivers d-c voltage to adder that is proportional to mean blood pressure. Potentiometers in adder permit introducing negative voltages corresponding to desired blood pressure level and maximum safe level-R. L. Skinner, D. K. Gehmlich, and F. W. Longson, Blood Pressure and Heart Regulator, Electronics, 32:1, p 38-41.
Reprinted Url Of This Article:
http://www.seekic.com/circuit_diagram/Electrical_Equipment_Circuit/BLOOD_PRESSURE_REGULATOR.html
Print this Page | Comments | Reading(3)
Code: