Published:2009/7/21 21:31:00 Author:Jessie | From:SeekIC

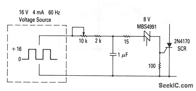
This circuit shows a basic phase-control scheme using an SCR and relaxation oscillator. The capacitor is charged through the resistor until the breakover voltage of the trigger (an SBS in this case) is reached. The SBS then changes to the on-state, and the capacitor is discharged through the SCR gate. Turn-on of the SCR is accomplished with a short, high-current pulse. In addition to an SBS, commonly-used triggers are UJTs, PUTs, optically coupled thyristors (chapter 9), and SIDACs. Phase control is obtained by varying the RC time constant of the charging circuit so that the trigger turn-on occurs at varying phase angles within a controlled half cycle. With the values shown, the conduction angle can be varied from about 20°to 150°.
Reprinted Url Of This Article:
http://www.seekic.com/circuit_diagram/Electrical_Equipment_Circuit/Basic_SCR_phase_control.html
Print this Page | Comments | Reading(3)
Code: