Published:2011/3/22 22:16:00 Author:Jessie | Keyword: elevator, control | From:SeekIC

Reprinted Url Of This Article:
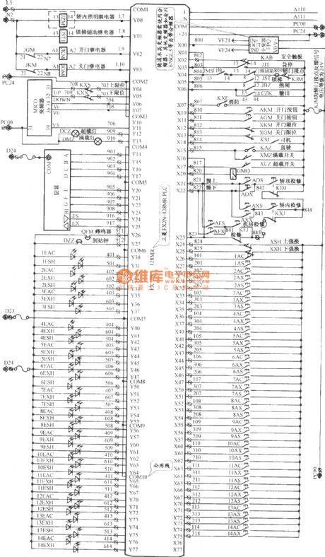
http://www.seekic.com/circuit_diagram/Electrical_Equipment_Circuit/Beijing_chongyun_elevator_control_circuit.html
Print this Page | Comments | Reading(3)
Code: