Published:2011/11/30 21:05:00 Author:May | Keyword: electronic compass | From:SeekIC

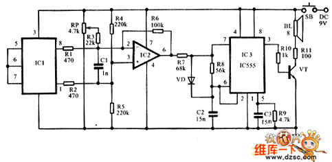
The core device IC1 of electronic compass is a piece of hall-effect integration sensor UGN-3501M, its internal structure includes a hall unit and a linear differential amplifier with differential emitter-follower output.
The circuit principle is shown in the diagram: the integrated hall sensor IC1 changes the earth's magnetic field to differential output voltage; this voltagepasses IC1's two output ends pin 8 adn pin 1 and resistors R1 and R2,then it is added toanother difference amplifier IC2 ( μA741) . When IC1 output is zero,RP is used to adjust the output voltage of IC2; capacitor C1 isused to suppress parasitic oscillation. R8, C2 , and VD (1N4148)are thecharge and discharge devices of time-base circuit.
Reprinted Url Of This Article:
http://www.seekic.com/circuit_diagram/Electrical_Equipment_Circuit/Blind_electronic_compass_circuit.html
Print this Page | Comments | Reading(3)
Code: