Published:2009/7/20 22:06:00 Author:Jessie | From:SeekIC

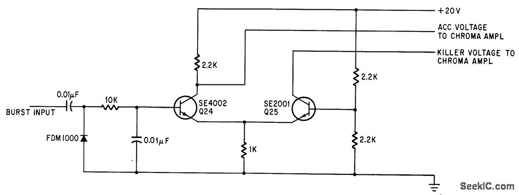
Uses amplifier burst as reference to determine amount of bias on 6rst stage of chromo amplifier. If burst amplifier falls below certain level, color killer voltage cuts off chromo amplifier automatically.-D. Bray, Solid tale Makes Debut in Big-Screen Color Tv, Electronics, 39:8, p 99-105.
Reprinted Url Of This Article:
http://www.seekic.com/circuit_diagram/Electrical_Equipment_Circuit/CHROMA_CONIRQL_AND_COLOR_KILLER.html
Print this Page | Comments | Reading(3)
Code: