Published:2009/7/20 22:19:00 Author:Jessie | From:SeekIC

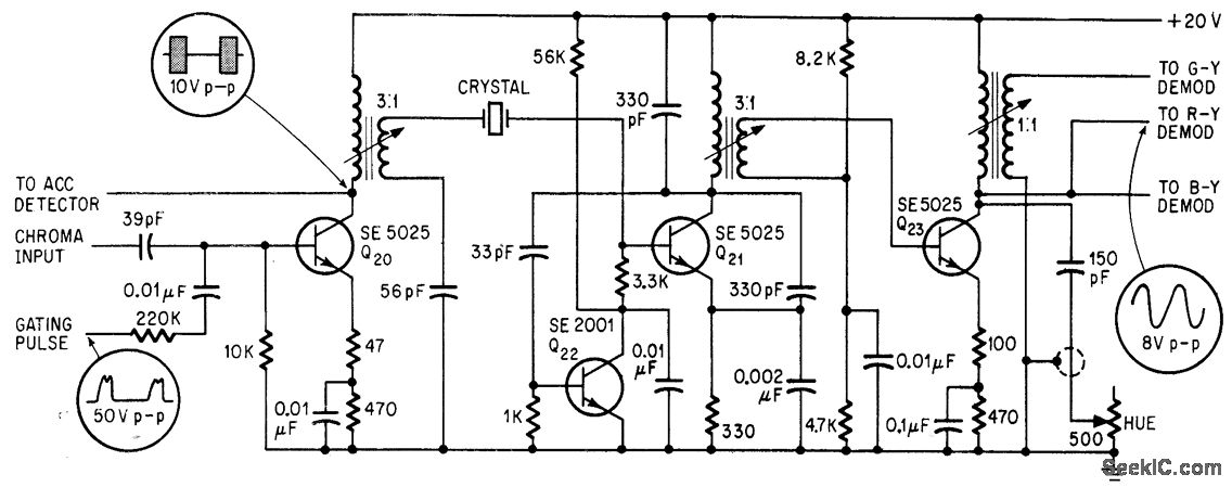
Burst amplifier Q20 and 3.58-Mc crystal oscillator Q21 are driven by output of 0rst stage of chroma amplifier of transistorized color tv. Amplifier burst locks oscillator frequency to subcarrier frequency required by color demodulators, and provides reference burst for automatic color control circuit.-D. Bray, Solid State Makes Debut in Big4creen Color Tv, Electronics, 39:8, p 99-105.
Reprinted Url Of This Article:
http://www.seekic.com/circuit_diagram/Electrical_Equipment_Circuit/COLOR_BURST_AMPLIFIER.html
Print this Page | Comments | Reading(3)
Code: